Yuken pv2r 1. 2.3 pwmp ceiliog sengl
Yuken PV2R1,2.3 Pwmp Vane Dadleoli Sefydlog Sengl ar gyfer Gweithrediad Sŵn Isel
Cyfres PV2R1 PV2R2 PV2R3 Pwmp Vane Hydrolig Sengl a Dwbl Yuken
Mae holl gynhyrchion Hyleman yn hollol gyfwerth ac yn gyfnewidiol â'r gwreiddiol.
Disgrifiad o gynhyrchion
Prif nodweddion:
Pympiau intravane perfformiad uchel ar gyfer peiriannau pigiad plastig, peiriannau esgidiau, peiriannau offer, peiriannau castio marw ac offer meteleg.
Mae pympiau 1.intravane gyda strwythur cydbwyso hydrolig yn darparu perfformiad mwy sefydlog a bywyd hirach ers llai o bwysau gan Vane ar stator.
Mae system Vane 2.twelve yn darparu pylsiad llif osgled isel gan arwain at nodweddion sŵn system isel.
3. Mae dadleoli a siafftiau gyda 4 allfa wahanol gyferbyn â safle gwneud gweithrediad yn fwy hyblyg.
4. Mae'r cetris yn annibynnol ar y siafft yrru, gan ganiatáu ar gyfer gwasanaethu'n hawdd heb ail -wneud y pwmp o'i mowntio.
Pwmp Cyfres PV2R:
Pwmp Sengl:
PV2R1, 4, 6, 8, 10, 12, 14, 17, 19, 23, 25, 28, 31
PV2R2, 26, 33, 41, 47, 53, 59, 65
PV2R3, 52, 60, 66, 76, 94, 116, 125, 136
Pwmp Dwbl:
Pv2r21, pv2r31, pv2r32
Defnydd:
Defnyddir pwmp ceiliog hydrolig yn helaeth mewn cyfarpar trwm, peiriannau mwyngloddio, peiriannau rwber a phlastig, peiriannau esgidiau, peiriannau castio marw, peiriannau metelegol, peiriannau torri metel a mathau eraill o systemau hydrolig.
| Pwmp cyfres pv2r | ||||
| Pwmp sengl | Pwmp Dwbl | |||
| fodelith | Anweddadwyedd | fodelith | Anweddadwyedd | Disaplacement y pwmp diwedd gorchudd |
| o bwmp diwedd siafft | ||||
| Pv2r1 | 4,6,8,10,12,14, | Pv2r21 | 26,33,41,47, | 4,6,8,10,12,14, |
| 17,19,23,25,28,31 | 53,59,65 | 17,19,23,25,28,31 | ||
| Pv2r2 | 26,33,41,47,53, | Pv2r31 | 52,60,66,76,94, | 4,6,8,10,12,14, |
| 59,65 | 116,125,136 | 17,19,23,25,28,31 | ||
| Pv2r3 | 52,60,66,76,94, | Pv2r32 | 52,60,66,76,94, | 26,33,41,47, |
| 116,125,136 | 116,125,136 | 53,59,65 | ||
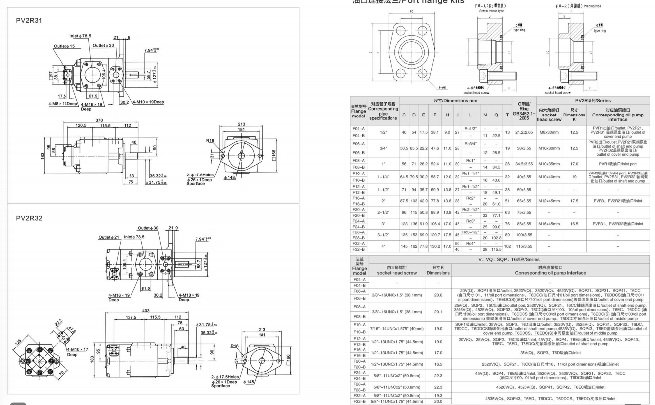
Lluniau manwl



Paramedrau Cynhyrchion



Model ar gael:
Pv2r1 pv2r2 pv2r3 pv2r4 pv2r12 pv2r13 pv2r23 pv2r33 pv2r14 pv2r24 pv2r34 pv2r24a pv2r34a
Proffil Cwmni

Ningbo Hyleman Hydrolics Co., Ltdyn gwmni gwyddonol ac arloesol sy'n integreiddio Ymchwil a Datblygu, cynhyrchu, gwerthu a gwasanaeth pympiau hydrolig o ansawdd uchel, moduron, falfiau a chynhyrchion hydrolig eraill.
Hyleman mainly provides Rexroth A4VSO, A10VSO, A4VG, A7VO, A11VO and A2FO series high-pressure piston pumps, Rexroth PGH3, PGH4 and PGH5 series high-pressure gear pumps, A4VM, A6VM, A2FM and A4FM series piston motors; BM3, BM4, BM5, BM6 a moduron orbit eraill. Trwy anrhydeddu ac arloesi pobl Hyleman, gall cynhyrchion cyfres Hyleman nid yn unig ddisodli'r cynhyrchion gwreiddiol yn berffaith, ond hefyd sylweddoli cyfnewid a chysylltiad di -dor yr holl rannau. Ar ben hynny, mae ganddo sŵn is, effeithlonrwydd cyfaint uwch a bywyd gwasanaeth hirach, er mwyn rhagori yn llwyr ar ansawdd y ffatri wreiddiol, a gwrthsefyll prawf difrifol y farchnad, wedi'i allforio i fwy na 70 o wledydd a rhanbarthau ledled y byd.
Defnyddir cynhyrchion cyfres Hyleman yn helaeth mewn peiriannau peirianneg, peiriannau plastig, peiriannau metelegol, peiriannau glanweithdra amgylcheddol, peiriannau mwyngloddio, peiriannau morol, peiriannau pecynnu, peiriannau porthladd ac offer hydrolig amrywiol, sy'n cael eu canmol yn fawr gan gleientiaid.
Mae gan Hyleman offer prosesu CNC datblygedig y byd, canolfannau peiriannu fertigol a llorweddol, malu ag ochrau dwbl manwl uchel, malu rhigol, malu cromlin a chanolfannau peiriannu awtomatig llawn. Gyda 12 labordy profi annibynnol, mae'r cynhyrchion wedi cael eu harchwilio'n gynhwysfawr cyn eu cludo i sicrhau bod cynhyrchion cyfres Hyleman yn cyflawni manwl gywirdeb uchel, o ansawdd uchel a dim diffygion.
"Mae optimeiddio perfformiad cynhyrchion hydrolig, gwella ansawdd cynhyrchion hydrolig ac arwain uwchraddio cynhwysfawr y defnydd o gynnyrch hydrolig" nid yn unig yn gyfrifoldeb a chenhadaeth Hyleman, ond hefyd y freuddwyd Tsieineaidd o Hyleman. Mae Hyleman yn barod i weithio gyda phobl o fewnwelediad i wneud ymdrechion di -baid i wireddu'r freuddwyd hon.
Croeso'n gynnes i bob ffrind ymweld â Dinas Port hardd - Ningbo i drafod cydweithredu a cheisio datblygiad cyffredin gyda Hyleman!
Harddangosfa

Pecynnau

Ein Manteision
Pam DewisHyleman?
1. Ansawdd uchaf
Dibynnu ar 15 mlynedd o brofiad mewn dylunio, ymchwil, datblygu a gweithgynhyrchu pympiau hydrolig, mae gennym ansawdd uchaf o'i gymharu â gweithgynhyrchwyr domestig a thramor, mae pob un o'n cynhyrchion gydag amser gwarant blwyddyn.
2. System Rheoli Ansawdd Llym
Mae gennym y system rheoli ansawdd fwyaf caeth, mae pob un o'n cynhyrchion yn cael eu profi 100% cyn eu cludo ac mae gan bob un ohonynt un cod olrhain er mwyn sicrhau eu bod o ansawdd da i'n cwsmeriaid.
3. Offer Peiriannau Uwch
Yr holl beiriannau sydd gennym yw peiriannau CNC newydd y gwnaethom eu mewnforio o'r Almaen a Japan er mwyn cyrraedd mwy o alw uwch ynghylch cywirdeb y cynhyrchion.
4. Tîm Technegol Cryf
Mae gan ein tîm technegol i gyd fwy nag 20 mlynedd o brofiad yn Pumps Design and Engineering, mae gan ein prif beiriannydd fwy na 40 mlynedd o brofiad yn Pumps Design. Mae gennym un tîm ymchwil 15 person, sy'n gyfrifol am ymchwil gwella pympiau a datblygu cynhyrchion newydd.
5. Pris cystadleuol
Oherwydd rheolaeth dda, mae ein pris yn fwy cystadleuol na'r cynhyrchion gwreiddiol, yn fwy rhesymol na'r mwyafrif o'r cyflenwyr domestig.
6. Amser dosbarthu cyflym
Gallwn anfon archebion bach o fewn wythnos, ar gyfer archebion mawr fel o fewn 500 o bympiau pcs neu gitiau cetris fel arfer gallwn wneud eu cludo o fewn mis.
7. Cyfnod Gwarant
Mae ein holl gynhyrchion o fewn blwyddyn gwarant ar ôl y llwyth o'n ffatri.
8. Gwasanaeth ystyriol
Gallwn ddarparu cefnogaeth dechnegol ar unrhyw adeg os yw ein cwsmeriaid yn cwrdd ag unrhyw fater wrth ddefnyddio, byddwn yn darparu atebion ar yr amser cynharaf.
9. Strategaeth Datblygu Hir
Hoffem sefydlu perthynas cydweithredu strategaeth amser hir gyda'n cwsmeriaid, i hyrwyddoHylemanBrand gyda'i gilydd, cefnogi a hyfforddi'r darpar gwsmer i fod yn asiant i ni ym mhob gwlad a rhanbarth ledled y byd.
Tagiau poblogaidd: Yuken pv2r 1. 2.3 Pwmp Vane Sengl, China Yuken Pv2r 1. 2.3 Gwneuthurwyr pwmp vane sengl, cyflenwyr, ffatri
Fe allech Chi Hoffi Hefyd
Anfon ymchwiliad














