Cyfres QT Pwmp Gêr Mewnol Sumitomo Servo
Pwmp Gear Mewnol Sumitomo Servo Cyfres QT QT62-80-bp gydag ansawdd uchel
Disgrifiadau cynhyrchion
| Model ar gael: Pwmp Gear Mewnol Sumitomo:Qt 42-31.5 40 qt 52-50 63 qt 62-80 100 125 Pwmp servo cyfres abt:ABT1T ABT2T ABT3 ABT11T ABT21T ABT22T. Pwmp gêr hydrolig mewnol Eckerle:EIPC 3-32 40 50 63 EIPC 5-80 100 EIPC 6-125 160 |
1. Perfformiad sŵn isel
Mae gerau mewnol y gyfres QT yn llyfn ac yn fud, ac mae eu nodweddion rhagorol wedi'u cynllunio'n arbennig ar gyfer gerau. Mae'r sain yn isel iawn pan gaiff ei defnyddio, ac mae'r sain yn dal yn llyfn hyd yn oed ar gyflymder uchel.
2, gwrthiant gwisgo uchel
Yn ychwanegol at y strwythur mecanyddol syml, gall defnyddio olew hydrolig datblygedig leihau arwyneb mecanyddol a thraul y rhannau swyddogaethol. Gall Cnau Cnau Gêr QT redeg ar bwysedd uchel 320Bar, hyd yn oed os yw'r defnydd o olew hydrolig cyffredinol, nid yw'n hawdd gwisgo darnau.
3, pylsiad gwasgedd isel
Gall pwmp gêr QT dynnu'r don bwysedd bron yn llwyr, gellir ei defnyddio fel rheolaeth manwl gywirdeb y system ar y pwysau offer peiriant delfrydol.
Lluniau manwl



Codau archebu

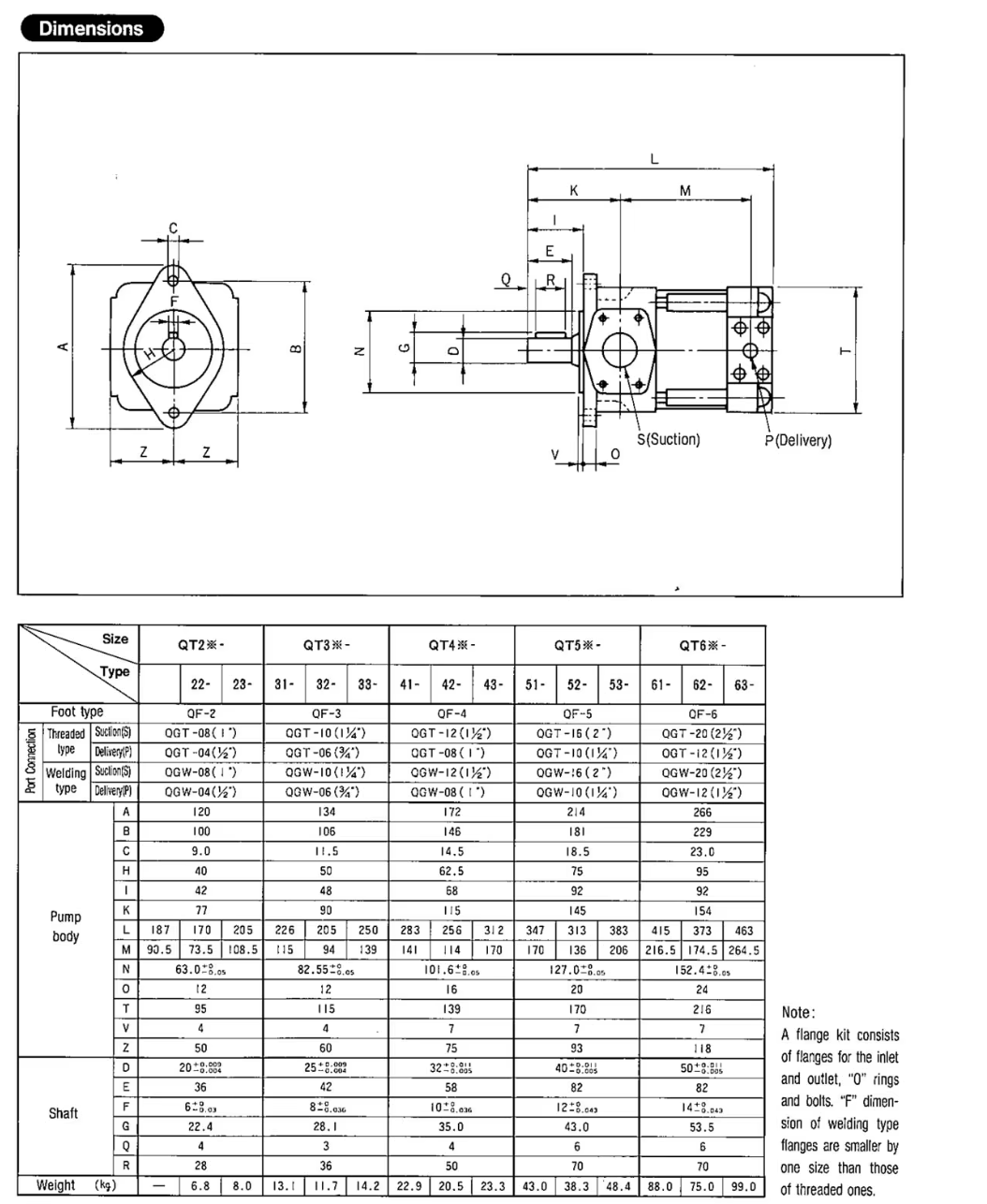
Meintiau Gosod

| Fodelwch | A | B | ∅C | ∅D | E | allwedd | Q | 2-∅H | ∅G | J | K | V | |||
| lled x hyd | |||||||||||||||
| QT42-31.5 | 68 | 7 | 0 | +0.011 | 35 | 0 | 4 | 2-∅14.5 | ∅146 | 58 | 115 | 114 | |||
| QT42-40 | ∅101.6-0.05 | ∅32-0.025 | ∅10-0.036 x50 | ||||||||||||
| QT52-50 | 92 | 7 | 0 | +0.011 | 43 | 0 | 6 | 2-∅18.5 | ∅181 | 82 | 145 | 136 | |||
| QT52-63 | ∅127-0.05 | ∅40-0.025 | ∅12-0.043 x70 | ||||||||||||
| QT62-80 | 92 | 7 | 0 | +0.011 | 53.5 | 0 | 6 | 2-∅23 | ∅228.6 | 82 | 154 | 174.5 | |||
| QT62-100 | ∅152.4-0.05 | ∅50-0.025 | ∅14-0.043 x70 | ||||||||||||
| QT62-125 | |||||||||||||||
| Fodelwch | L | ∅N | O | R | T | U | ∅S | W | X | M1 | ∅P | Y | Z | M2 | ||
| QT42-31.5 | 256 | ∅125 | 16 | 172 | 139 | 75 | ∅38 | 69.9 | 35.7 | M12 dwfn 25 | ∅25 | 52.4 | 26.2 | M10 dwfn 20 | ||
| QT42-40 | ||||||||||||||||
| QT52-50 | 313 | ∅150 | 20 | 214 | 170 | 93 | ∅50 | 77.8 | 42.9 | M12 dwfn 25 | ∅32 | 58.7 | 30.2 | M10 dwfn 20 | ||
| QT52-63 | ||||||||||||||||
| QT62-80 | 373 | ∅190 | 24 | 266 | 216 | 118 | ∅63 | 88.9 | 50.8 | M12 dwfn 25 | ∅38 | 69.9 | 35.7 | M10 dwfn 20 | ||
| QT62-100 | ||||||||||||||||
| QT62-125 | ||||||||||||||||
Proffil Cwmni

Ningbo Hyleman Hydrolics Co., Ltdyn gwmni gwyddonol ac arloesol sy'n integreiddio Ymchwil a Datblygu, cynhyrchu, gwerthu a gwasanaeth pympiau hydrolig o ansawdd uchel -, moduron, falfiau a chynhyrchion hydrolig eraill.
Mae Hyleman yn darparu Rexroth A4vso yn bennaf, A10VSO, A4VG, A7VO, A11VO ac A2FO Cyfres Uchel - Pympiau Piston Pwysau, Rexroth PGH3, PISTON PISTON a PGH5 PUMS PUGFON MEVM, A6 A6 A4, A6 A4, A6 A4, A4 A4 A4, A BM3, BM4, BM5, BM6 a moduron orbit eraill. Trwy anrhydeddu ac arloesi pobl Hyleman, gall cynhyrchion cyfres Hyleman nid yn unig ddisodli'r cynhyrchion gwreiddiol yn berffaith, ond hefyd sylweddoli cyfnewid a chysylltiad di -dor yr holl rannau. Ar ben hynny, mae ganddo sŵn is, effeithlonrwydd cyfaint uwch a bywyd gwasanaeth hirach, er mwyn rhagori yn llwyr ar ansawdd y ffatri wreiddiol, a gwrthsefyll prawf difrifol y farchnad, wedi'i allforio i fwy na 70 o wledydd a rhanbarthau ledled y byd.
Defnyddir cynhyrchion cyfres Hyleman yn helaeth mewn peiriannau peirianneg, peiriannau plastig, peiriannau metelegol, peiriannau glanweithdra amgylcheddol, peiriannau mwyngloddio, peiriannau morol, peiriannau pecynnu, peiriannau porthladd ac offer hydrolig amrywiol, sy'n cael eu canmol yn fawr gan gleientiaid.
Mae gan Hyleman offer prosesu CNC datblygedig y byd, canolfannau peiriannu fertigol a llorweddol, - manwl gywirdeb dwbl - malu ochr, malu rhigol, malu cromlin a chanolfannau peiriannu awtomatig - llawn. Gyda 12 labordy profi annibynnol, mae'r cynhyrchion wedi cael eu harchwilio'n gynhwysfawr cyn eu cludo i sicrhau bod cynhyrchion cyfres Hyleman yn cyflawni manwl gywirdeb uchel, o ansawdd uchel a dim diffygion.
"Mae optimeiddio perfformiad cynhyrchion hydrolig, gwella ansawdd cynhyrchion hydrolig ac arwain uwchraddio cynhwysfawr y defnydd o gynnyrch hydrolig" nid yn unig yn gyfrifoldeb a chenhadaeth Hyleman, ond hefyd y freuddwyd Tsieineaidd o Hyleman. Mae Hyleman yn barod i weithio gyda phobl o fewnwelediad i wneud ymdrechion di -baid i wireddu'r freuddwyd hon.
Croeso'n gynnes yr holl ffrindiau i ymweld â'r Port City hardd - ningbo i drafod cydweithredu a cheisio datblygiad cyffredin gyda Hyleman!
Harddangosfeydd

Pecynnau


Ein Manteision
Pam DewisHyleman?
1. Ansawdd uchaf
Dibynnu ar 15 mlynedd o brofiad mewn dylunio, ymchwil, datblygu a gweithgynhyrchu pympiau hydrolig, mae gennym ansawdd uchaf o'i gymharu â gweithgynhyrchwyr domestig a thramor, mae pob un o'n cynhyrchion gydag amser gwarant blwyddyn.
2. System Rheoli Ansawdd Llym
Mae gennym y system rheoli ansawdd fwyaf caeth, mae pob un o'n cynhyrchion yn cael eu profi 100% cyn eu cludo ac mae gan bob un ohonynt un cod olrhain er mwyn sicrhau eu bod o ansawdd da i'n cwsmeriaid.
3. Offer Peiriannau Uwch
Yr holl beiriannau sydd gennym yw peiriannau CNC newydd y gwnaethom eu mewnforio o'r Almaen a Japan er mwyn cyrraedd mwy o alw uwch ynghylch cywirdeb y cynhyrchion.
4. Tîm Technegol Cryf
Mae gan ein tîm technegol i gyd fwy nag 20 mlynedd o brofiad yn Pumps Design and Engineering, mae gan ein prif beiriannydd fwy na 40 mlynedd o brofiad yn Pumps Design. Mae gennym un tîm ymchwil 15 person, sy'n gyfrifol am ymchwil gwella pympiau a datblygu cynhyrchion newydd.
5. Pris cystadleuol
Oherwydd rheolaeth dda, mae ein pris yn fwy cystadleuol na'r cynhyrchion gwreiddiol, yn fwy rhesymol na'r mwyafrif o'r cyflenwyr domestig.
6. Amser dosbarthu cyflym
Gallwn anfon archebion bach o fewn wythnos, ar gyfer archebion mawr fel o fewn 500 o bympiau pcs neu gitiau cetris fel arfer gallwn wneud eu cludo o fewn mis.
7. Cyfnod Gwarant
Mae ein holl gynhyrchion o fewn blwyddyn gwarant ar ôl y llwyth o'n ffatri.
8. Gwasanaeth ystyriol
Gallwn ddarparu cefnogaeth dechnegol ar unrhyw adeg os yw ein cwsmeriaid yn cwrdd ag unrhyw fater wrth ddefnyddio, byddwn yn darparu atebion ar yr amser cynharaf.
9. Strategaeth Datblygu Hir
Hoffem sefydlu perthynas cydweithredu strategaeth amser hir gyda'n cwsmeriaid, i hyrwyddoHylemanBrand gyda'i gilydd, cefnogi a hyfforddi'r darpar gwsmer i fod yn asiant i ni ym mhob gwlad a rhanbarth ledled y byd.
Tagiau poblogaidd: Cyfres QT Pwmp Gêr Mewnol Sumitomo Servo, China Sumitomo Servo Gear Gear Pwmp QT Cyfres QT, Cyflenwyr, Cyflenwyr, Ffatri
Pâr o
naFe allech Chi Hoffi Hefyd
Anfon ymchwiliad













